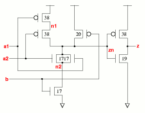
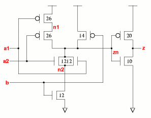
oan21 standard cell family
2-OR into 2-AND gate
UP
PREV
NEXT
2 cells with different drive strengths, each with a P:N ratio of about 2. The oan21_x1 has a stage effort of about 1.7 and the oan21_x2 about 2.2.
z:((a1+a2)*b)
cell width
power
Generic 0.13um typical timing (ps & ps/fF), pin
a2
.
leakage
dynamic
tR=PropR+RampR×Load(fF), tF=PropF+RampF×Load(fF)
vxlib013
gates
lambda
0.13um
nW
nW/MHz
PinCap
PropR
RampR
PropF
RampF
oan21_x1
2.3
70
3.85
0.95
21.7
4.5f
80
2.96
113
2.31
oan21_x2
2.3
70
3.85
1.52
34.6
6.3f
83
1.56
115
1.22
oan21_x1
Effort
FO4
Log.
a1
/\
¯_
2.21
a2
/\
¯_
2.06
b
/\
¯_
1.76
oan21_x2
Effort
FO4
Log.
a1
/\
¯_
2.08
a2
/\
¯_
1.92
b
/\
¯_
1.66
Web data book for the vxlib. V
dd
=1.2V, T=27°C, nominal process, generic 0.13um technology. Copyright © 2005-2008 Graham Petley. 11 JAN 2008