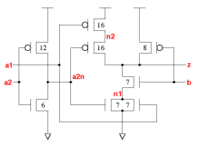
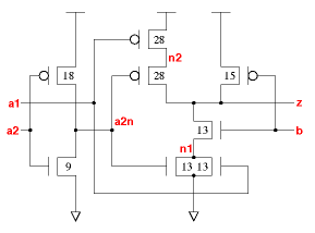
oai21a2 standard cell family
2-OR with one inverted input into 2-NAND
UP
PREV
NEXT
Two cells with a P/N ratio of about 2 on the
a1
and
b
inputs, and a stage gain of about 1.4 (x05) and 1.7 (x1) on the
a2
input.
z:((a1+a2')*b)'
cell width
power
Generic 0.13um typical timing (ps & ps/fF), pin
a2
.
leakage
dynamic
tR=PropR+RampR×Load(fF), tF=PropF+RampF×Load(fF)
wsclib013
gates
lambda
0.13um
nW
nW/MHz
PinCap
PropR
RampR
PropF
RampF
oai21a2v0x05
2.7
64
3.52
0.54
14.8
2.2f
87
7.31
91
5.31
oai21a2v0x1
2.7
64
3.52
0.92
23.8
3.3f
86
4.18
89
2.87
oai21a2v0x05
Effort
FO4
Log.
a1
/\
1.89
1.98
¯_
a2
/\
¯_
2.08
b
/\
1.32
1.34
¯_
oai21a2v0x1
Effort
FO4
Log.
a1
/\
1.81
1.93
¯_
a2
/\
¯_
1.92
b
/\
1.26
1.29
¯_
Web data book for the wsclib. V
dd
=1.2V, T=27°C, nominal process, generic 0.13um technology. Copyright © 2005-2008 Graham Petley. 11 JAN 2008