aoi21 standard cell family

2-AND into 2-NOR gate
aoi21 symbol
3 cells with different drive strengths, each with a P/N ratio of about 2. The width of the N-transistor connected to pin b is designed to have a similar conductivity to the two series N-transistors in order to maintain a consistent output drive capability.
z:((a1*a2)+b)' cell width power Generic 0.13um typical timing (ps & ps/fF), pin a2.
leakage dynamic tR=PropR+RampR×Load(fF), tF=PropF+RampF×Load(fF)
vsclib013 gates lambda 0.13um nW nW/MHz PinCap PropR RampR PropF RampF
aoi21v0x05 1.7  40 2.20  0.34   8.8  2.7f  67  7.31  57  5.36
aoi21v0x1 1.7  40 2.20  0.53  13.5  4.4f  63  4.34  54  3.13
aoi21v0x2 3.0  72 3.96 1.09  24.7  8.7f  60  2.17  49  1.44
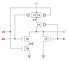
aoi21v0x05
 
Effort
FO4 Log.
a1 /\ 1.90 1.97
¯_
a2 /\ 1.87 2.00
¯_
b /\ 1.38 1.54
¯_
aoi21v0x05 schematic aoi21v0x05 standard cell layout
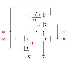
aoi21v0x1
 
Effort
FO4 Log.
a1 /\ 1.80 1.88
¯_
a2 /\ 1.77 1.90
¯_
b /\ 1.41 1.57
¯_
aoi21v0x1 schematic aoi21v0x1 standard cell layout
aoi21v0x2
 
Effort
FO4 Log.
a1 /\ 1.78 1.94
¯_
a2 /\ 1.67 1.82
¯_
b /\ 1.34 1.49
¯_
aoi21v0x2 schematic aoi21v0x2 standard cell layout