nr3 standard cell family
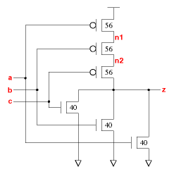
3-I/P NOR gate
UP
PREV
NEXT
x1
drive strength cell with a P/N ratio of about 0.5.
z:(a+b+c)'
cell width
power
Generic 0.13um typical timing (ps & ps/fF), pin
c
.
leakage
dynamic
tR=PropR+RampR×Load(fF), tF=PropF+RampF×Load(fF)
rgalib013
gates
lambda
0.13um
nW
nW/MHz
PinCap
PropR
RampR
PropF
RampF
nr3v0x1
4.0
96
5.28
2.03
23.5
10.4f
68
3.12
30
0.63
nr3v0x1
Effort
FO4
Log.
a
/\
2.21
2.31
¯_
b
/\
2.07
2.25
¯_
c
/\
1.83
2.27
¯_
Web data book for the rgalib. V
dd
=1.2V, T=27°C, nominal process, generic 0.13um technology. Copyright © 2005-2008 Graham Petley. 11 JAN 2008